이번 글은 Atmega128 다중 LED 제어이다.
#include <mega128.h>
#include <delay.h>
void Init_port(void) // Function
{
// LED에 연결된 Register를 모두 출력설정
DDRA = 0xff;
}
void main(void)
{
Init_port();
while (1)
{
// Please write your application code here
PORTA = 0x11; // 0,4 bit on
delay_ms(500); // 0.5초간 딜레이
PORTA = 0x22; // 1,5 bit on
delay_ms(500); // 0.5초간 딜레이
PORTA = 0x44; // 2,6 bit on
delay_ms(500); // 0.5초간 딜레이
PORTA = 0x88; // 3,7 Bit on
delay_ms(500); // 0.5초간 딜레이
}
}

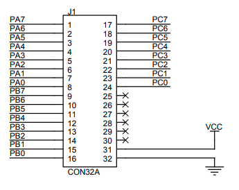
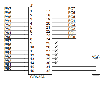
PA0~PA7을 LED의 극성에 맞게 연결하고 32번 즉 Ground부분을 LED의 끝단에 연결한다.
LED의 +부분에는 330옴 저항을 각각 연결해주었다.


'Embedded > AVR' 카테고리의 다른 글
| 🎇Atmega128 4 digit 7 segment 제어하기 (0) | 2021.01.22 |
|---|---|
| 📝ATmega128로 LED 켜보기 (0) | 2021.01.15 |
| 비전공자의 임베디드학습 준비 (1) | 2021.01.14 |